В таблице представлены размеры шпоночного полотна DIN 6885 и размеры шпоночного паза для разных диаметров вала.
A1 +375 (29) 3902272
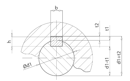
В таблице представлены размеры шпоночного полотна DIN 6885 и размеры шпоночного паза для разных диаметров вала.
| Размер шпонки, мм | Диаметр вала, мм | Размеры шпоночного паза, мм | Вес, кг/м | ||
|---|---|---|---|---|---|
| bxh | < d ⩾ | b | t1 | t2 | |
| 2x2 | 6-8 | 2 | 1.20 | 1 | 0.03 |
| 3x3 | 8-10 | 3 | 1.8 | 1.4 | 0.07 |
| 4x4 | 10-12 | 4 | 2.5 | 1.8 | 0.13 |
| 5x5 | 12-17 | 5 | 3.0 | 2.3 | 0.20 |
| 6x4 | 17-22 | 6 | 2.5 | 1.8 | 0.19 |
| 6x5 | 17-22 | 6 | 3.0 | 2.3 | 0.24 |
| 6x6 | 17-22 | 6 | 3.5 | 3.5 | 0.28 |
| 8x5 | 22-30 | 8 | 3.0 | 2.3 | 0.31 |
| 8x6 | 22-30 | 8 | 3.5 | 2.8 | 0.38 |
| 8x7 | 22-30 | 8 | 4.0 | 3.3 | 0.44 |
| 8x8 | 22-30 | 8 | 5.0 | 3.3 | 0.5 |
| 10x8 | 30-38 | 10 | 5.0 | 3.3 | 0.63 |
| 10x10 | 30-38 | 10 | 6.0 | 4.3 | 0.79 |
| 12x8 | 38-44 | 12 | 5.0 | 3.3 | 0.76 |
| 12x12 | 38-44 | 12 | 7.5 | 4.9 | 1.13 |
| 14x9 | 44-50 | 14 | 5.5 | 3.8 | 0.99 |
| 14x14 | 44-50 | 14 | 9.0 | 5.4 | 1.54 |
| 16x10 | 50-58 | 16 | 6.0 | 4.3 | 1.26 |
| 18x11 | 58-60 | 18 | 7.0 | 4.4 | 1.56 |
| 20x12 | 65-75 | 20 | 7.5 | 4.9 | 1.89 |
| 22x14 | 75-85 | 22 | 9.0 | 5.4 | 2.42 |
| 25x14 | 85-95 | 25 | 9.0 | 5.4 | 2.75 |
| 28x16 | 95-110 | 28 | 10.0 | 6.4 | 3.52 |
| 32x18 | 110-130 | 32 | 11.0 | 7.4 | 4.53 |
| 36x20 | 130-150 | 36 | 12.0 | 8.4 | 5.66 |
| 40x22 | 150-170 | 40 | 13.0 | 9.4 | 6.92 |
| 45x25 | 170-200 | 45 | 15.0 | 10.4 | 8.84 |
| 50x28 | 200-230 | 50 | 17.0 | 11.4 | 11 |
| 56x32 | 230-260 | 56 | 20.0 | 12.4 | 14.09 |
| 63x32 | 260-290 | 63 | 20.0 | 12.4 | 15.85 |
| 70x36 | 290-330 | 70 | 22.0 | 14.4 | 19.81 |
| 80x40 | 330-380 | 80 | 25.0 | 15.4 | 25.15 |
| 90x45 | 380-440 | 90 | 28.0 | 17.4 | 31.83 |
| 100x50 | 440-500 | 100 | 31.0 | 19.5 | 39.3 |