/ Telegram
A1 +375 (29) 3902272
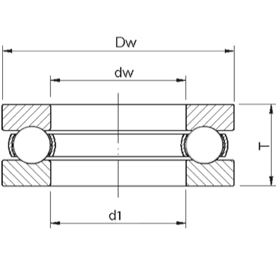
В таблице ниже перечислены размеры и характеристики упорных однорядных шариковых подшипников.
| Обозначение | Основные размеры, мм | Допустимые нагрузки, кН | Предельная скорость вращения, об/мин | Вес, кг | |||||
|---|---|---|---|---|---|---|---|---|---|
| d | D | B | d₁ | Динам. | Стат. | Смазка | Масло | ||
| 51100 | 10 | 24 | 9 | 11 | 10 | 14 | 6700 | 9500 | 0.021 |
| 51200 | 10 | 26 | 11 | 12 | 12.7 | 17.1 | 5800 | 8300 | 0.03 |
| 51101 | 12 | 26 | 9 | 13 | 10.3 | 15.4 | 6400 | 9200 | 0.023 |
| 51201 | 12 | 28 | 11 | 14 | 13.2 | 19.0 | 5600 | 8000 | 0.034 |
| 51102 | 15 | 28 | 9 | 16 | 10.5 | 16.8 | 6200 | 8800 | 0.024 |
| 51202 | 15 | 32 | 12 | 17 | 16.6 | 24.8 | 5000 | 7100 | 0.046 |
| 51103 | 17 | 30 | 9 | 18 | 10.8 | 18.2 | 6000 | 8500 | 0.026 |
| 51203 | 17 | 35 | 12 | 19 | 17.2 | 27.3 | 4800 | 6800 | 0.054 |
| 51104 | 20 | 35 | 10 | 21 | 14.2 | 24.7 | 5200 | 7500 | 0.040 |
| 51204 | 20 | 40 | 14 | 22 | 22.3 | 37.5 | 4100 | 5900 | 0.081 |
| 51105 | 25 | 42 | 11 | 26 | 19.6 | 37.0 | 4600 | 6500 | 0.060 |
| 51205 | 25 | 47 | 15 | 27 | 27.8 | 50.5 | 3700 | 5300 | 0.111 |
| 51305 | 25 | 52 | 18 | 27 | 35.5 | 61.5 | 3200 | 4600 | 0.176 |
| 51106 | 30 | 47 | 11 | 32 | 20.4 | 42.0 | 4300 | 6200 | 0.069 |
| 51206 | 30 | 52 | 16 | 32 | 29.3 | 58.0 | 3400 | 4900 | 0.139 |
| 51306 | 30 | 60 | 21 | 32 | 43.0 | 78.5 | 2800 | 3900 | 0.269 |
| 51107 | 35 | 52 | 12 | 37 | 20.4 | 44.5 | 3900 | 5600 | 0.085 |
| 51207 | 35 | 62 | 18 | 37 | 39.0 | 78.0 | 2900 | 4200 | 0.215 |
| 51307 | 35 | 68 | 24 | 37 | 55.5 | 105.0 | 2400 | 3500 | 0.383 |
| 51108 | 40 | 60 | 13 | 42 | 26.9 | 63.0 | 3500 | 5000 | 0.125 |
| 51208 | 40 | 68 | 19 | 42 | 47.0 | 98.5 | 2700 | 3900 | 0.276 |
| 51308 | 40 | 78 | 26 | 42 | 69.0 | 135.0 | 2200 | 3100 | 0.548 |
| 51109 | 45 | 65 | 14 | 47 | 27.9 | 69.0 | 3200 | 4600 | 0.148 |
| 51209 | 45 | 73 | 20 | 47 | 48.0 | 105.0 | 2600 | 3700 | 0.317 |
| 51309 | 45 | 85 | 28 | 47 | 80.0 | 163.0 | 2000 | 2900 | 0.684 |
| 51110 | 50 | 70 | 14 | 52 | 28.8 | 75.5 | 3100 | 4500 | 0.161 |
| 51210 | 50 | 78 | 22 | 52 | 48.5 | 111 | 2400 | 3400 | 0.378 |
| 51310 | 50 | 95 | 31 | 52 | 96.5 | 202 | 1800 | 2600 | 0.951 |
| 51111 | 55 | 78 | 16 | 57 | 35 | 93 | 2800 | 4000 | 0.226 |
| 51211 | 55 | 90 | 25 | 57 | 69.5 | 159 | 2100 | 3000 | 0.608 |
| 51311 | 55 | 105 | 35 | 57 | 119 | 246 | 1600 | 2300 | 1.29 |
| 51112 | 60 | 85 | 17 | 62 | 41.5 | 113 | 2600 | 3700 | 0.296 |
| 51212 | 60 | 95 | 26 | 62 | 73.5 | 179 | 2000 | 2800 | 0.676 |
| 51312 | 60 | 110 | 35 | 62 | 123 | 267 | 1600 | 2300 | 1.37 |
| 51113 | 65 | 90 | 18 | 67 | 41.5 | 117 | 2400 | 3500 | 0.338 |
| 51213 | 65 | 100 | 27 | 67 | 75 | 189 | 1900 | 2700 | 0.767 |
| 51313 | 65 | 115 | 36 | 67 | 128 | 287 | 1500 | 2200 | 1.51 |
| 51114 | 70 | 95 | 18 | 72 | 43 | 127 | 2400 | 3400 | 0.356 |
| 51214 | 70 | 105 | 27 | 72 | 76 | 199 | 1800 | 2600 | 0.793 |
| 51314 | 70 | 125 | 40 | 72 | 148 | 340 | 1400 | 2000 | 2.01 |
| 51115 | 75 | 100 | 19 | 77 | 44.5 | 136 | 2200 | 3200 | 0.399 |
| 51215 | 75 | 110 | 27 | 77 | 77.5 | 209 | 1800 | 2600 | 0.874 |
| 51315 | 75 | 135 | 44 | 77 | 171 | 395 | 1300 | 1800 | 2.61 |
| 51116 | 80 | 105 | 19 | 82 | 44.5 | 141 | 2200 | 3100 | 0.422 |
| 51216 | 80 | 115 | 28 | 82 | 78.5 | 218 | 1700 | 2400 | 0.916 |
| 51316 | 80 | 140 | 44 | 82 | 176 | 425 | 1200 | 1800 | 2.72 |
| 51117 | 85 | 110 | 19 | 87 | 46 | 150 | 2100 | 3000 | 0.444 |
| 51217 | 85 | 125 | 31 | 88 | 95.5 | 264 | 1600 | 2200 | 1.25 |
| 51317 | 85 | 150 | 49 | 88 | 201 | 490 | 1100 | 1600 | 3.52 |
| 51118 | 90 | 120 | 22 | 92 | 59.5 | 190 | 1900 | 2700 | 0.687 |
| 51218 | 90 | 135 | 35 | 93 | 117 | 325 | 1400 | 2000 | 1.7 |
| 51318 | 90 | 155 | 50 | 93 | 198 | 490 | 1100 | 1600 | 3.74 |
| 51120 | 100 | 135 | 25 | 102 | 85 | 268 | 1700 | 2400 | 0.987 |
| 51220 | 100 | 150 | 38 | 103 | 147 | 410 | 1300 | 1800 | 2.29 |
| 51320 | 100 | 170 | 55 | 103 | 237 | 595 | 990 | 1400 | 4.88 |
| 51122 | 110 | 145 | 25 | 112 | 87 | 288 | 1600 | 2300 | 1.07 |
| 51222 | 110 | 160 | 38 | 113 | 153 | 450 | 1200 | 1800 | 2.46 |
| 51322 | 110 | 190 | 63 | 113 | 267 | 705 | 870 | 1200 | 7.67 |
| 51124 | 120 | 155 | 25 | 122 | 89 | 310 | 1500 | 2200 | 1.11 |
| 51224 | 120 | 170 | 39 | 123 | 154 | 470 | 1200 | 1700 | 2.71 |
| 51324 | 120 | 210 | 70 | 123 | 296 | 805 | 780 | 1100 | 10.8 |
| 51126 | 130 | 170 | 30 | 132 | 104 | 350 | 1300 | 1900 | 1.73 |
| 51226 | 130 | 190 | 45 | 133 | 191 | 565 | 1000 | 1500 | 4.22 |
| 51326 | 130 | 225 | 75 | 134 | 330 | 960 | 720 | 1000 | 12.7 |
| 51128 | 140 | 180 | 31 | 142 | 107 | 375 | 1300 | 1800 | 1.9 |
| 51228 | 140 | 200 | 46 | 143 | 193 | 595 | 980 | 1400 | 4.77 |
| 51328 | 140 | 240 | 80 | 144 | 350 | 1050 | 670 | 960 | 15.3 |
| 51130 | 150 | 190 | 31 | 152 | 109 | 400 | 1200 | 1800 | 2 |
| 51230 | 150 | 215 | 50 | 153 | 220 | 685 | 900 | 1300 | 5.87 |
| 51330 | 150 | 250 | 80 | 154 | 360 | 1130 | 660 | 940 | 16.1 |