/ Telegram
A1 +375 (29) 3902272
В таблице приведены размеры игольчатых бессепараторных подшипников серий 941/...; 942/...; 943/... и соответствующие им подшипники серии HK (по ISO)
Подшипники по ГОСТ (типа 941/...; 942/...; 943/...) изготавливаются без сепараторов, что позволяют им выдерживать большие радиальные нагрузки по сравнению с аналогичными по размерам подшипниками типа HK (по ISO).
| Тип по ГОСТ | Fw, мм | D, мм | B, мм | Тип по ISO | Fw, мм | D, мм | B, мм | |
|---|---|---|---|---|---|---|---|---|
| 941/06 | 6 | 10 | 7 | HK0607 | 6 | 10 | 7 | |
| 941/07 | 7 | 12 | 8 | HK071208 | 7 | 12 | 8 | |
| 941/10 | 10 | 16 | 10 | HK101610 | 10 | 16 | 10 | |
| 941/12 | 12 | 17 | 12 | HK121712 | 12 | 17 | 12 | |
| 941/15 | 15 | 20 | 12 | HK152012 | 15 | 20 | 12 | |
| 941/17 | 17 | 23 | 14 | HK1714 | 17 | 23 | 14 | |
| 941/20 | 20 | 26 | 14 | H2014 | 20 | 26 | 14 | |
| 941/25 | 25 | 32 | 16 | HK2516 | 25 | 32 | 16 | |
| 941/30 | 30 | 38 | 16 | HK303824* | 30 | 38 | 24* | |
| 942/08 | 8 | 14 | 12 | HK081412 | 8 | 14 | 12 | |
| 942/15 | 15 | 20 | 16 | HK152016 | 15 | 20 | 16 | |
| 942/20 | 20 | 26 | 20 | HK2020 | 20 | 26 | 20 | |
| 942/25 | 25 | 32 | 22 | HK2522 | 25 | 32 | 22 | |
| 942/30 | 30 | 38 | 24 | HK303824 | 30 | 38 | 24 | |
| 942/32 | 32 | 40 | 24 | HK3212* | 32 | 39* | 12* | |
| 942/35 | 35 | 43 | 25 | HK354332* | 35 | 43 | 32* | |
| 942/40 | 40 | 50 | 32 | HK405024* | 40 | 50 | 24* | |
| 942/70 | 70 | 78 | 32 | HK7024* | 70 | 78 | 24* | |
| 943/07 | 7 | 12 | 13 | HK071208* | 7 | 12 | 8* | |
| 943/10 | 10 | 16 | 17 | HK101616* | 10 | 16 | 16* | |
| 943/20 | 20 | 26 | 25 | HK2025 | 20 | 26 | 25 | |
| 943/25 | 25 | 32 | 25 | HK2524* | 25 | 32 | 24* | |
| 943/30 | 30 | 38 | 32 | HK303832 | 30 | 38 | 32 | |
| 943/35 | 35 | 43 | 32 | HK354332 | 35 | 43 | 32 | |
| 943/40 | 40 | 50 | 38 | HK405024* | 40 | 50 | 24* | |
| 943/45 | 45 | 55 | 38 | HK455538 | 45 | 55 | 38 | |
| 943/50 | 50 | 60 | 38 | HK506038 | 50 | 60 | 38 | |
| 943/80 | 80 | 88 | 45 |
* - подшипники по ISO, размеры которых не совпадают с размерами аналогичных подшипников по ГОСТ.
| Обозначение | Основные размеры, мм | Допустимые нагрузки, Н | Предельная скорость вращения, об/мин | Вес, кг | |||
|---|---|---|---|---|---|---|---|
| d | D | B | Динам. | Стат. | |||
| NK 5/10 | 5 | 10 | 10 | 2300 | 1900 | 37000 | 0.003 |
| NK 5/12 | 5 | 10 | 12 | 2850 | 2520 | 35150 | 0.004 |
| NK 6/10 | 6 | 12 | 10 | 2470 | 2170 | 31350 | 0.005 |
| NK 6/12 | 6 | 12 | 12 | 3180 | 2990 | 31350 | 0.006 |
| NK 7/10 | 7 | 14 | 10 | 2710 | 2520 | 29450 | 0.007 |
| NK 7/12 | 7 | 14 | 12 | 3470 | 3420 | 29450 | 0.008 |
| NK 8/12 | 8 | 15 | 12 | 3750 | 3900 | 27550 | 0.008 |
| NK 8/16 | 8 | 15 | 16 | 4850 | 5500 | 27550 | 0.012 |
| NKS 8 | 8 | 16 | 13 | 4750 | 4465 | 27000 | 0.011 |
| NK 9/12 | 9 | 16 | 12 | 4280 | 4750 | 26600 | 0.010 |
| NK 9/16 | 9 | 16 | 16 | 5600 | 6750 | 26600 | 0.013 |
| NK 10/12 | 10 | 17 | 12 | 4550 | 5230 | 25650 | 0.010 |
| NK 10/16 | 10 | 17 | 16 | 5890 | 7400 | 25650 | 0.013 |
| NKS 10 | 10 | 19 | 13 | 5500 | 5700 | 24000 | 0.015 |
| NK 12/12 | 12 | 19 | 12 | 6080 | 6750 | 23750 | 0.012 |
| NK 12/16 | 12 | 19 | 16 | 8550 | 10450 | 23750 | 0.017 |
| NKS 12 | 12 | 22 | 16 | 9100 | 9850 | 22000 | 0.023 |
| NK 14/16 | 14 | 22 | 16 | 9600 | 10900 | 22800 | 0.021 |
| NK 14/20 | 14 | 22 | 20 | 12160 | 14820 | 23000 | 0.026 |
| RNA 4900 | 14 | 22 | 13 | 8060 | 9000 | 23750 | 0.024 |
| RNA 6900 | 14 | 22 | 22 | 8281 | 11612 | 18322 | 0.029 |
| NKS 14 | 14 | 25 | 16 | 13600 | 13000 | 21850 | 0.027 |
| NK 15/12 | 15 | 23 | 12 | 8600 | 10070 | 21004 | 0.019 |
| NK 15/16 | 15 | 23 | 16 | 10200 | 12065 | 21850 | 0.022 |
| NK 15/20 | 15 | 23 | 20 | 12820 | 16530 | 21850 | 0.027 |
| NKS 15 | 15 | 26 | 16 | 13800 | 13400 | 21000 | 0.030 |
| RNA 4901 | 16 | 24 | 13 | 8930 | 10350 | 22800 | 0.017 |
| NK 16/16 | 16 | 24 | 16 | 10700 | 13200 | 20900 | 0.021 |
| NK 16/20 | 16 | 24 | 20 | 13680 | 17860 | 20900 | 0.024 |
| RNA 6901 | 16 | 24 | 22 | 15200 | 20500 | 20900 | 0.029 |
| NKS 16 | 16 | 28 | 16 | 14900 | 15000 | 20000 | 0.030 |
| NK 17/16 | 17 | 25 | 16 | 11300 | 14250 | 17100 | 0.022 |
| NK 17/20 | 17 | 25 | 20 | 14350 | 19380 | 20900 | 0.030 |
| NK 18/16 | 18 | 26 | 16 | 11850 | 15390 | 19950 | 0.025 |
| NK 18/20 | 18 | 26 | 20 | 15000 | 20900 | 19950 | 0.031 |
| NKS 18 | 18 | 30 | 16 | 16100 | 17000 | 18000 | 0.038 |
| NK 19/16 | 19 | 27 | 16 | 12350 | 16530 | 19950 | 0.026 |
| NK 19/20 | 19 | 27 | 20 | 15700 | 22400 | 19950 | 0.032 |
| NK 20/16 | 20 | 28 | 16 | 12350 | 16600 | 19000 | 0.026 |
| NK 20/20 | 20 | 28 | 20 | 15600 | 22600 | 19000 | 0.029 |
| RNA 4902 | 20 | 28 | 13 | 10800 | 12800 | 20900 | 0.021 |
| RNA 6902 | 20 | 28 | 23 | 16400 | 24200 | 19000 | 0.035 |
| NKS 20 | 20 | 32 | 20 | 21850 | 23750 | 18000 | 0.047 |
| NK 21/16 | 21 | 29 | 16 | 12800 | 17750 | 19000 | 0.028 |
| NK 21/20 | 21 | 29 | 20 | 16250 | 24220 | 19000 | 0.035 |
| RNA 4903 | 22 | 30 | 13 | 10450 | 13870 | 19950 | 0.021 |
| NK 22/16 | 22 | 30 | 16 | 13300 | 18900 | 18000 | 0.029 |
| NK 22/20 | 22 | 30 | 20 | 16800 | 25650 | 18000 | 0.037 |
| RNA 6903 | 22 | 30 | 23 | 17650 | 27550 | 18000 | 0.04 |
| NKS 22 | 22 | 35 | 20 | 23275 | 26600 | 17000 | 0.06 |
| NK 24/16 | 24 | 32 | 16 | 14250 | 21200 | 17000 | 0.032 |
| NK 24/20 | 24 | 32 | 20 | 18050 | 29000 | 17000 | 0.04 |
| NKS 24 | 24 | 37 | 20 | 25500 | 30400 | 15200 | 0.066 |
| NK 25/16 | 25 | 33 | 16 | 14150 | 21280 | 16150 | 0.03 |
| NK 25/20 | 25 | 33 | 20 | 17860 | 29000 | 16150 | 0.038 |
| RNA 4904 | 25 | 37 | 17 | 19950 | 24200 | 16150 | 0.051 |
| RNA 6904 | 25 | 37 | 30 | 34200 | 48450 | 15200 | 0.098 |
| NKS 25 | 25 | 38 | 20 | 26100 | 31800 | 15200 | 0.065 |
| NK 26/16 | 26 | 34 | 16 | 14550 | 22400 | 15200 | 0.03 |
| NK 26/20 | 26 | 34 | 20 | 18450 | 30400 | 15200 | 0.04 |
| NK 28/20 | 28 | 37 | 20 | 20900 | 32300 | 14250 | 0.052 |
| NK 28/30 | 28 | 37 | 30 | 31350 | 54150 | 14250 | 0.082 |
| NKS 28 | 28 | 42 | 20 | 27100 | 34650 | 13300 | 0.08 |
| RNA 49/22 | 28 | 39 | 17 | 21660 | 28000 | 15200 | 0.05 |
| RNA 69/22 | 28 | 39 | 30 | 37000 | 54500 | 13000 | 0.098 |
| NK 29/20 | 29 | 38 | 20 | 20800 | 32300 | 14250 | 0.054 |
| NK 29/30 | 29 | 38 | 30 | 30900 | 54150 | 14250 | 0.084 |
| NK 30/20 | 30 | 40 | 20 | 21470 | 34200 | 13300 | 0.058 |
| NK 30/30 | 30 | 40 | 30 | 31800 | 57000 | 13300 | 0.095 |
| NKS 30 | 30 | 45 | 22 | 31500 | 39500 | 11000 | 0.104 |
| RNA 4905 | 30 | 42 | 17 | 22420 | 29900 | 14250 | 0.057 |
| RNA 6905 | 30 | 42 | 30 | 37000 | 56000 | 13300 | 0.107 |
| NK 32/20 | 32 | 42 | 20 | 21950 | 35600 | 12350 | 0.075 |
| NK 32/30 | 32 | 42 | 30 | 34000 | 62500 | 12350 | 0.102 |
| RNA 49/28 | 32 | 45 | 17 | 23180 | 31800 | 12350 | 0.08 |
| RNA 69/28 | 32 | 45 | 30 | 39500 | 61300 | 13000 | 0.125 |
| NKS 32 | 32 | 47 | 22 | 31800 | 41300 | 11400 | 0.1 |
| NK 35/20 | 35 | 45 | 20 | 23000 | 39400 | 11400 | 0.07 |
| NK 35/30 | 35 | 45 | 30 | 36000 | 68500 | 11400 | 0.112 |
| RNA 4906 | 35 | 47 | 17 | 23750 | 33700 | 12350 | 0.063 |
| RNA 6906 | 35 | 47 | 30 | 41300 | 67450 | 11400 | 0.116 |
| NKS 35 | 35 | 50 | 22 | 34500 | 46500 | 10000 | 0.118 |
| NK 37/20 | 37 | 47 | 20 | 24300 | 43000 | 11400 | 0.077 |
| NK 37/30 | 37 | 47 | 30 | 36300 | 72500 | 11400 | 0.113 |
| NKS 37 | 37 | 52 | 22 | 34700 | 47500 | 10450 | 0.123 |
| NK 38/20 | 38 | 48 | 20 | 25000 | 44500 | 10450 | 0.079 |
| NK 38/30 | 38 | 48 | 30 | 37000 | 75000 | 10450 | 0.116 |
| NK 40/20 | 40 | 50 | 20 | 24700 | 44650 | 10450 | 0.079 |
| NK 40/30 | 40 | 50 | 30 | 37000 | 75000 | 10450 | 0.120 |
| NKS 40 | 40 | 55 | 22 | 37200 | 53500 | 8500 | 0.129 |
| RNA 49/32 | 40 | 52 | 20 | 30000 | 46800 | 10500 | 0.089 |
| RNA 69/32-ZW | 40 | 52 | 36 | 44650 | 77900 | 10450 | 0.147 |
| NK 42/20 | 42 | 52 | 20 | 25200 | 46550 | 9500 | 0.083 |
| NK 42/30 | 42 | 52 | 30 | 37500 | 77900 | 9500 | 0.125 |
| RNA 4907 | 42 | 55 | 20 | 29900 | 47500 | 10450 | 0.099 |
| RNA 6907-ZW | 42 | 55 | 36 | 45600 | 81700 | 9500 | 0.193 |
| NK 43/20 | 43 | 53 | 20 | 25700 | 49000 | 9500 | 0.084 |
| NK 43/30 | 43 | 53 | 30 | 38500 | 80750 | 9500 | 0.126 |
| NKS 43 | 43 | 58 | 22 | 37000 | 54150 | 9000 | 0.139 |
| NK 45/20 | 45 | 55 | 20 | 26100 | 50350 | 9500 | 0.091 |
| NK 45/30 | 45 | 55 | 30 | 40000 | 87000 | 9500 | 0.139 |
| NKS 45 | 45 | 60 | 22 | 38500 | 57000 | 9000 | 0.145 |
| NK 47/20 | 47 | 57 | 20 | 28000 | 55000 | 9000 | 0.095 |
| NK 47/30 | 47 | 57 | 30 | 42500 | 93500 | 9000 | 0.142 |
| RNA 4908 | 48 | 62 | 22 | 40850 | 63650 | 9000 | 0.132 |
| RNA 6908-ZW | 48 | 62 | 40 | 64000 | 112000 | 8120 | 0.255 |
| NK 50/25 | 50 | 62 | 25 | 36100 | 70300 | 8550 | 0.167 |
| NK 50/35 | 50 | 62 | 35 | 47500 | 100700 | 8550 | 0.236 |
| NKS 50 | 50 | 65 | 22 | 41800 | 66500 | 7000 | 0.157 |
| RNA 4909 | 52 | 68 | 22 | 42750 | 69350 | 8100 | 0.182 |
| RNA 6909-ZW | 52 | 68 | 40 | 65500 | 120650 | 7600 | 0.338 |
| NK 55/25 | 55 | 68 | 25 | 38000 | 77900 | 7600 | 0.167 |
| NK 55/35 | 55 | 68 | 35 | 52500 | 117000 | 7600 | 0.250 |
| NKS 55 | 55 | 72 | 22 | 44000 | 73000 | 6000 | 0.221 |
| RNA 4910 | 58 | 72 | 22 | 44650 | 76000 | 7600 | 0.161 |
| RNA 6910-ZW | 58 | 72 | 40 | 69400 | 132000 | 7200 | 0.296 |
| NK 60/25 | 60 | 72 | 25 | 39900 | 85500 | 7100 | 0.185 |
| NK 60/35 | 60 | 72 | 35 | 55000 | 130000 | 7100 | 0.258 |
| NKS 60 | 60 | 80 | 28 | 62500 | 97500 | 6000 | 0.335 |
| RNA 4911 | 63 | 80 | 25 | 55100 | 95000 | 7100 | 0.241 |
| RNA 6911-ZW | 63 | 80 | 45 | 85500 | 167200 | 6650 | 0.470 |
| NK 65/25 | 65 | 78 | 25 | 43500 | 97000 | 6650 | 0.221 |
| NK 65/35 | 65 | 78 | 35 | 58200 | 141300 | 6650 | 0.310 |
| NKS 65 | 65 | 85 | 28 | 65800 | 106700 | 6100 | 0.356 |
| NK 68/25 | 68 | 82 | 25 | 43000 | 88000 | 6100 | 0.241 |
| NK 68/35 | 68 | 82 | 35 | 61000 | 138000 | 6100 | 0.338 |
| RNA 4912 | 68 | 85 | 25 | 57000 | 102600 | 6600 | 0.275 |
| RNA 6912-ZW | 68 | 85 | 45 | 89300 | 181450 | 6200 | 0.488 |
| NK 70/25 | 70 | 85 | 25 | 44000 | 91000 | 6100 | 0.260 |
| NK 70/35 | 70 | 85 | 35 | 62000 | 143000 | 6100 | 0.370 |
| NKS 70 | 70 | 90 | 28 | 66500 | 112000 | 4500 | 0.380 |
| RNA 4913 | 72 | 90 | 25 | 57500 | 110500 | 6100 | 0.300 |
| RNA 6913-ZW | 72 | 90 | 45 | 90250 | 188100 | 6000 | 0.571 |
| NK 73/25 | 73 | 90 | 25 | 51500 | 99000 | 5700 | 0.302 |
| NK 73/35 | 73 | 90 | 35 | 74000 | 155000 | 5700 | 0.428 |
| NK 75/25 | 75 | 92 | 25 | 53500 | 103000 | 5700 | 0.315 |
| NK 75/35 | 75 | 92 | 35 | 76000 | 161000 | 5700 | 0.445 |
| NKS 75 | 75 | 95 | 28 | 70000 | 122000 | 5700 | 0.402 |
| NK 80/25 | 80 | 95 | 25 | 55500 | 118000 | 5200 | 0.301 |
| NK 80/35 | 80 | 95 | 35 | 77000 | 183000 | 5200 | 0.425 |
| NKS 80 | 80 | 100 | 28 | 74500 | 132000 | 4000 | 0.413 |
| RNA 4914 | 80 | 100 | 30 | 79800 | 148200 | 5700 | 0.460 |
| RNA 6914-ZW | 80 | 100 | 54 | 121000 | 263000 | 5130 | 0.857 |
| NK 85/25 | 85 | 105 | 25 | 68000 | 122000 | 4750 | 0.425 |
| RNA 4915 | 85 | 105 | 30 | 82000 | 158000 | 5130 | 0.472 |
| NK 85/35 | 85 | 105 | 35 | 97000 | 192000 | 4750 | 0.600 |
| RNA 6915-ZW | 85 | 105 | 54 | 128000 | 272000 | 5130 | 0.923 |
| NK 90/25 | 90 | 110 | 25 | 70500 | 130000 | 4600 | 0.450 |
| RNA 4916 | 90 | 110 | 30 | 84550 | 170500 | 4927 | 0.516 |
| NK 90/35 | 90 | 110 | 35 | 102000 | 205500 | 4600 | 0.630 |
| RNA 6916-ZW | 90 | 110 | 54 | 128250 | 285000 | 4650 | 0.978 |
| NK 95/26 | 95 | 115 | 26 | 71000 | 136000 | 4450 | 0.490 |
| NK 95/36 | 95 | 115 | 36 | 105000 | 221000 | 4450 | 0.680 |
| NK 100/26 | 100 | 120 | 26 | 75000 | 145000 | 4200 | 0.515 |
| RNA 4917 | 100 | 120 | 35 | 105450 | 225150 | 4600 | 0.657 |
| NK 100/36 | 100 | 120 | 36 | 110000 | 236000 | 4200 | 0.715 |
| RNA 6917-ZW | 100 | 120 | 63 | 157700 | 380000 | 4300 | 1.200 |
| NK 105/26 | 105 | 125 | 26 | 76500 | 153000 | 4085 | 0.540 |
| RNA4918 | 105 | 125 | 35 | 108300 | 237500 | 4370 | 0.745 |
| NK 105/36 | 105 | 125 | 36 | 112000 | 248000 | 4085 | 0.713 |
| RNA 6918-ZW | 105 | 125 | 63 | 165000 | 403750 | 4100 | 1.330 |
| NK 110/30 | 110 | 130 | 30 | 96000 | 209000 | 3900 | 0.650 |
| RNA 4919 | 110 | 130 | 35 | 112000 | 245000 | 4180 | 0.719 |
| NK 110/40 | 110 | 130 | 40 | 125000 | 287000 | 3900 | 0.830 |
| RNA 6919-ZW | 110 | 130 | 63 | 196000 | 418000 | 3900 | 1.460 |
| NKS 115 | 115 | 135 | 32 | 90000 | 202000 | 3705 | 0.700 |
| RNA 4920 | 115 | 140 | 40 | 120000 | 264000 | 3895 | 1.006 |
| RNA 4822 | 120 | 140 | 30 | 93000 | 215000 | 3600 | 0.670 |
| NK 120/40 | 120 | 140 | 40 | 112000 | 274000 | 3600 | 0.910 |
| RNA 4922 | 125 | 150 | 40 | 125400 | 275500 | 3600 | 1.200 |
| RNA 4824 | 130 | 150 | 30 | 91600 | 234000 | 3325 | 0.730 |
| RNA 4924 | 135 | 165 | 45 | 174000 | 386000 | 3230 | 1.760 |
| RNA 4826 | 145 | 165 | 35 | 117000 | 300000 | 3040 | 0.990 |
| RNA 4926 | 150 | 180 | 50 | 201000 | 450000 | 3040 | 2.210 |
| RNA 4828 | 155 | 175 | 35 | 119000 | 321000 | 2850 | 0.988 |
| NK 155/32 | 155 | 180 | 32 | 112000 | 250000 | 2755 | 1.200 |
* Канавка и отверстия для смазки отсутствуют для подшипников NK с внутренним диаметром 10мм и меньше.
** Двухрядные игольчатые подшипники RNA 69 чаще всего начинаются с внутреннего диаметра 37мм.
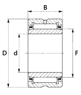
| Обозначение | Основные размеры, мм | Допустимые нагрузки, Н | Предельная скорость вращения, об/мин | Вес, кг | ||||
|---|---|---|---|---|---|---|---|---|
| d | F | D | B | Динам. | Стат. | |||
| NKI 5/12 TN | 5 | 8 | 15 | 12 | 3750 | 3900 | 30400 | 0.012 |
| NKI 5/16 TN | 5 | 8 | 15 | 16 | 4900 | 5700 | 30400 | 0.015 |
| NKI 6/12 TN | 6 | 9 | 16 | 12 | 4270 | 4750 | 28500 | 0.014 |
| NKI 6/16 TN | 6 | 9 | 16 | 16 | 5600 | 6750 | 28500 | 0.017 |
| NKIS 6 TN | 6 | 10 | 19 | 13 | 5510 | 5700 | 26000 | 0.020 |
| NKI 7/12 TN | 7 | 10 | 17 | 12 | 4500 | 5200 | 27500 | 0.014 |
| NKI 7/16 TN | 7 | 10 | 17 | 16 | 5900 | 7400 | 27500 | 0.018 |
| NKIS 7 TN | 7 | 12 | 22 | 16 | 9100 | 9800 | 24000 | 0.035 |
| NKIS 8 | 8 | 14 | 25 | 16 | 13680 | 13110 | 21500 | 0.046 |
| NKI 9/12 | 9 | 12 | 19 | 12 | 6200 | 7002 | 25000 | 0.015 |
| NKI 9/16 | 9 | 12 | 19 | 16 | 8500 | 10500 | 25000 | 0.022 |
| NKIS 9 | 9 | 15 | 26 | 16 | 13800 | 13500 | 22000 | 0.041 |
| NA 4900 | 10 | 14 | 22 | 13 | 8006 | 9000 | 23700 | 0.021 |
| NKI 10/16 | 10 | 14 | 22 | 16 | 9808 | 10500 | 23500 | 0.027 |
| NKI 10/20 | 10 | 14 | 22 | 20 | 12150 | 14800 | 23500 | 0.037 |
| NA 6900 | 10 | 14 | 22 | 22 | 8281 | 11612 | 23700 | 0.038 |
| NKIS 10 | 10 | 16 | 28 | 16 | 15000 | 15100 | 21000 | 0.054 |
| NA 4901 | 12 | 16 | 24 | 13 | 8900 | 10300 | 22800 | 0.025 |
| NKI 12/16 | 12 | 16 | 24 | 16 | 10800 | 13100 | 22800 | 0.033 |
| NKI 12/20 | 12 | 16 | 24 | 20 | 14000 | 18400 | 22800 | 0.039 |
| NA 6901 | 12 | 16 | 24 | 22 | 15200 | 20500 | 22800 | 0.045 |
| NKIS 12 | 12 | 18 | 30 | 16 | 16000 | 17000 | 20000 | 0.058 |
| NKI 15/16 | 15 | 19 | 27 | 16 | 12350 | 16530 | 20900 | 0.038 |
| NKI 15/20 | 15 | 19 | 27 | 20 | 15650 | 22400 | 20900 | 0.046 |
| NA 4902 | 15 | 20 | 28 | 13 | 10050 | 12900 | 20900 | 0.032 |
| NA 6902 | 15 | 20 | 28 | 23 | 16400 | 24200 | 20900 | 0.062 |
| NKIS 15 | 15 | 22 | 35 | 20 | 23500 | 26600 | 19000 | 0.090 |
| NKI 17/16 | 17 | 21 | 29 | 16 | 13000 | 18200 | 20000 | 0.041 |
| NKI 17/20 | 17 | 21 | 29 | 20 | 16500 | 24900 | 20000 | 0.053 |
| NA 4903 | 17 | 22 | 30 | 13 | 10450 | 13850 | 19900 | 0.033 |
| NA 6903 | 17 | 22 | 30 | 23 | 17650 | 27550 | 19900 | 0.068 |
| NKIS 17 | 17 | 24 | 37 | 20 | 25000 | 30000 | 17000 | 0.098 |
| NKI 20/16 | 20 | 24 | 32 | 16 | 14250 | 21150 | 18050 | 0.049 |
| NKI 20/20 | 20 | 24 | 32 | 20 | 18000 | 29500 | 18050 | 0.061 |
| NA 4904 | 20 | 25 | 37 | 17 | 19950 | 24200 | 16200 | 0.070 |
| NA 6904 | 20 | 25 | 37 | 30 | 33000 | 51000 | 16000 | 0.141 |
| NKIS 20 | 20 | 28 | 42 | 20 | 26500 | 35500 | 14000 | 0.119 |
| NKI 22/16 | 22 | 26 | 34 | 16 | 14500 | 22400 | 17000 | 0.050 |
| NKI 22/20 | 22 | 26 | 34 | 20 | 18700 | 31000 | 17000 | 0.065 |
| NA 49/22 | 22 | 28 | 39 | 17 | 21650 | 28000 | 15200 | 0.076 |
| NA 69/22 | 22 | 28 | 39 | 30 | 35600 | 52250 | 15200 | 0.130 |
| NKI 25/20 | 25 | 29 | 38 | 20 | 21000 | 33000 | 15200 | 0.079 |
| NKI 25/30 | 25 | 29 | 38 | 30 | 31500 | 56000 | 14000 | 0.115 |
| NA 4905 | 25 | 30 | 42 | 17 | 22400 | 29900 | 14250 | 0.076 |
| NA 6905 | 25 | 30 | 42 | 30 | 37000 | 56000 | 14250 | 0.160 |
| NKIS 25 | 25 | 32 | 47 | 22 | 32000 | 41300 | 12500 | 0.160 |
| NKI 28/20 | 28 | 32 | 42 | 20 | 22700 | 36500 | 13300 | 0.097 |
| NKI 28/30 | 28 | 32 | 42 | 30 | 34000 | 61000 | 13300 | 0.146 |
| NA 49/28 | 28 | 32 | 45 | 17 | 23200 | 31800 | 12350 | 0.091 |
| NA 69/28 | 28 | 32 | 45 | 30 | 38400 | 59800 | 12350 | 0.170 |
| NKI 30/20 | 30 | 35 | 45 | 20 | 23500 | 41000 | 12350 | 0.112 |
| NKI 30/30 | 30 | 35 | 45 | 30 | 36000 | 68000 | 12350 | 0.170 |
| NA 4906 | 30 | 35 | 47 | 17 | 23000 | 34000 | 12350 | 0.101 |
| NA 6906 | 30 | 35 | 47 | 30 | 42500 | 70500 | 12350 | 0.192 |
| NKIS 30 | 30 | 37 | 52 | 22 | 35000 | 48000 | 12350 | 0.184 |
| NKI 32/20 | 32 | 37 | 47 | 20 | 23650 | 41300 | 11400 | 0.101 |
| NKI 32/30 | 32 | 37 | 47 | 30 | 36500 | 71500 | 11400 | 0.180 |
| NA 49/32 | 32 | 40 | 52 | 20 | 28950 | 45100 | 11400 | 0.150 |
| NA 69/32-ZW | 32 | 40 | 52 | 36 | 44650 | 77900 | 11400 | 0.272 |
| NKI 35/20 | 35 | 40 | 50 | 20 | 25000 | 45000 | 11400 | 0.127 |
| NKI 35/30 | 35 | 40 | 50 | 30 | 37000 | 75000 | 11400 | 0.193 |
| NA 4907 | 35 | 42 | 55 | 20 | 29900 | 47500 | 10450 | 0.151 |
| NA 6907-ZW | 35 | 42 | 55 | 36 | 45600 | 81700 | 10450 | 0.301 |
| NKIS 35 | 35 | 43 | 58 | 22 | 37000 | 56000 | 10450 | 0.210 |
| NKI 38/20 | 38 | 43 | 53 | 20 | 25000 | 49000 | 10450 | 0.136 |
| NKI 38/30 | 38 | 43 | 53 | 30 | 40000 | 84000 | 10450 | 0.207 |
| NKI 40/20 | 40 | 45 | 55 | 20 | 26100 | 50350 | 9500 | 0.142 |
| NKI 40/30 | 40 | 45 | 55 | 30 | 35000 | 86000 | 9500 | 0.216 |
| NA 4908 | 40 | 48 | 62 | 22 | 40850 | 63650 | 9000 | 0.230 |
| NA 6908-ZW | 40 | 48 | 62 | 40 | 64000 | 112000 | 9000 | 0.430 |
| NKIS 40 | 40 | 50 | 65 | 22 | 41000 | 65000 | 9000 | 0.281 |
| NKI 42/20 | 42 | 47 | 57 | 20 | 26000 | 52500 | 9500 | 0.138 |
| NKI 42/30 | 42 | 47 | 57 | 30 | 41000 | 92000 | 9500 | 0.222 |
| NKI 45/25 | 45 | 50 | 62 | 25 | 36000 | 70000 | 8550 | 0.218 |
| NKI 45/35 | 45 | 50 | 62 | 35 | 47500 | 100700 | 8550 | 0.322 |
| NA 4909 | 45 | 52 | 68 | 22 | 42750 | 69350 | 8075 | 0.260 |
| NA 6909-ZW | 45 | 52 | 68 | 40 | 65550 | 120650 | 8075 | 0.479 |
| NKIS 45 | 45 | 55 | 72 | 22 | 43000 | 71000 | 8075 | 0.336 |
| NKI 50/25 | 50 | 55 | 68 | 25 | 38000 | 78000 | 8075 | 0.262 |
| NKI 50/35 | 50 | 55 | 68 | 35 | 52500 | 117000 | 8075 | 0.379 |
| NA 4910 | 50 | 58 | 72 | 22 | 44650 | 76000 | 7600 | 0.264 |
| NA 6910-ZW | 50 | 58 | 72 | 40 | 69350 | 132000 | 7600 | 0.515 |
| NKIS 50 | 50 | 60 | 80 | 28 | 60000 | 95000 | 7200 | 0.510 |
| NKI 55/25 | 55 | 60 | 72 | 25 | 41000 | 88000 | 7100 | 0.272 |
| NKI 55/35 | 55 | 60 | 72 | 35 | 48000 | 126000 | 7100 | 0.357 |
| NA 4911 | 55 | 63 | 80 | 25 | 55100 | 95000 | 7100 | 0.386 |
| NA 6911-ZW | 55 | 63 | 80 | 45 | 82560 | 172000 | 7156 | 0.760 |
| NKIS 55 | 55 | 65 | 85 | 28 | 65500 | 107000 | 7100 | 0.558 |
| NKI 60/25 | 60 | 68 | 82 | 25 | 41300 | 84550 | 6700 | 0.388 |
| NKI 60/35 | 60 | 68 | 82 | 35 | 60000 | 137000 | 6700 | 0.553 |
| NA 4912 | 60 | 68 | 85 | 25 | 57000 | 102600 | 6700 | 0.412 |
| NA 6912-ZW | 60 | 68 | 85 | 45 | 88500 | 186000 | 6700 | 0.798 |
| NKIS 60 | 60 | 70 | 90 | 28 | 65000 | 110000 | 6200 | 0.550 |
| NA 4913 | 65 | 72 | 90 | 25 | 57500 | 110500 | 6200 | 0.456 |
| NA 6913-ZW | 65 | 72 | 90 | 45 | 87600 | 194500 | 5700 | 0.821 |
| NKI 65/25 | 65 | 73 | 90 | 25 | 51000 | 99000 | 6200 | 0.467 |
| NKI 65/35 | 65 | 73 | 90 | 35 | 73000 | 154000 | 6200 | 0.659 |
| NKIS 65 | 65 | 75 | 95 | 28 | 69000 | 121000 | 6200 | 0.641 |
| NKI 70/25 | 70 | 80 | 95 | 25 | 55000 | 117000 | 5700 | 0.521 |
| NKI 70/35 | 70 | 80 | 95 | 35 | 77000 | 182000 | 5700 | 0.737 |
| NKIS 70 | 70 | 80 | 100 | 28 | 73000 | 131500 | 5700 | 0.680 |
| NA 4914 | 70 | 80 | 100 | 30 | 79000 | 154000 | 5700 | 0.712 |
| NA 6914-ZW | 70 | 80 | 100 | 54 | 121000 | 263000 | 5700 | 1.326 |
| NKI 75/25 | 75 | 85 | 105 | 25 | 68000 | 121000 | 5200 | 0.641 |
| NA 4915 | 75 | 85 | 105 | 30 | 82000 | 158000 | 5200 | 0.765 |
| NKI 75/35 | 75 | 85 | 105 | 35 | 97000 | 192000 | 5200 | 0.908 |
| NA 6915-ZW | 75 | 85 | 105 | 54 | 128000 | 272000 | 5200 | 1.429 |
| NKI 80/25 | 80 | 90 | 110 | 25 | 71000 | 130000 | 4750 | 0.677 |
| NA 4916 | 80 | 90 | 110 | 30 | 81000 | 170500 | 4750 | 0.870 |
| NKI 80/35 | 80 | 90 | 110 | 35 | 101000 | 207000 | 4750 | 0.959 |
| NA 6916-ZW | 80 | 90 | 110 | 54 | 130500 | 280600 | 4750 | 1.510 |
| NKI 85/26 | 85 | 95 | 115 | 26 | 71000 | 135000 | 4700 | 0.743 |
| NKI 85/36 | 85 | 95 | 115 | 36 | 105000 | 222000 | 4700 | 1.040 |
| NA 4917 | 85 | 100 | 120 | 35 | 111000 | 237000 | 4600 | 1.250 |
| NA 6917-ZW | 85 | 100 | 120 | 63 | 166000 | 400000 | 4600 | 2.200 |
| NKI 90/26 | 90 | 100 | 120 | 26 | 75000 | 145000 | 4400 | 0.778 |
| NKI 90/36 | 90 | 100 | 120 | 36 | 109000 | 235500 | 4400 | 1.090 |
| NA 4918 | 90 | 105 | 125 | 35 | 114000 | 250000 | 4300 | 1.312 |
| NA 6918-ZW | 90 | 105 | 125 | 63 | 172000 | 425000 | 4300 | 2.310 |
| NKI 95/26 | 95 | 105 | 125 | 26 | 77000 | 153000 | 4250 | 0.816 |
| NKI 95/36 | 95 | 105 | 125 | 36 | 112000 | 235000 | 4250 | 1.145 |
| NA 4919 | 95 | 110 | 130 | 35 | 116000 | 260000 | 4200 | 1.371 |
| NA 6919-ZW | 95 | 110 | 130 | 63 | 174000 | 440000 | 4200 | 2.500 |
| NKI 100/30 | 100 | 110 | 130 | 30 | 97000 | 200000 | 4100 | 0.990 |
| NKI 100/40 | 100 | 110 | 130 | 40 | 127000 | 280000 | 4100 | 1.330 |
| NKIS 100 | 100 | 115 | 135 | 32 | 90000 | 203000 | 3850 | 1.340 |
| NA 4920 | 100 | 115 | 140 | 40 | 120000 | 274000 | 4000 | 1.900 |
| NA 4822 | 110 | 120 | 140 | 30 | 94000 | 216000 | 3900 | 1.080 |
| NKI 110/40 | 110 | 120 | 140 | 40 | 112000 | 274000 | 3850 | 1.460 |
| NA 4922 | 110 | 125 | 150 | 40 | 132000 | 290000 | 3700 | 2.070 |
| NA 4824 | 120 | 130 | 150 | 30 | 99000 | 239000 | 3600 | 1.170 |
| NA 4924 | 120 | 135 | 165 | 45 | 181000 | 390000 | 3400 | 2.860 |
| NA 4826 | 130 | 145 | 165 | 35 | 118000 | 310000 | 3200 | 1.810 |
| NA 4926 | 130 | 150 | 180 | 50 | 203000 | 470000 | 3100 | 3.900 |
TN - пластмассовый сепаратор; допустимая рабочая температура +80°C.
ZW - подшипник с двумя рядами иголок.