/ Telegram
A1 +375 (29) 3902272
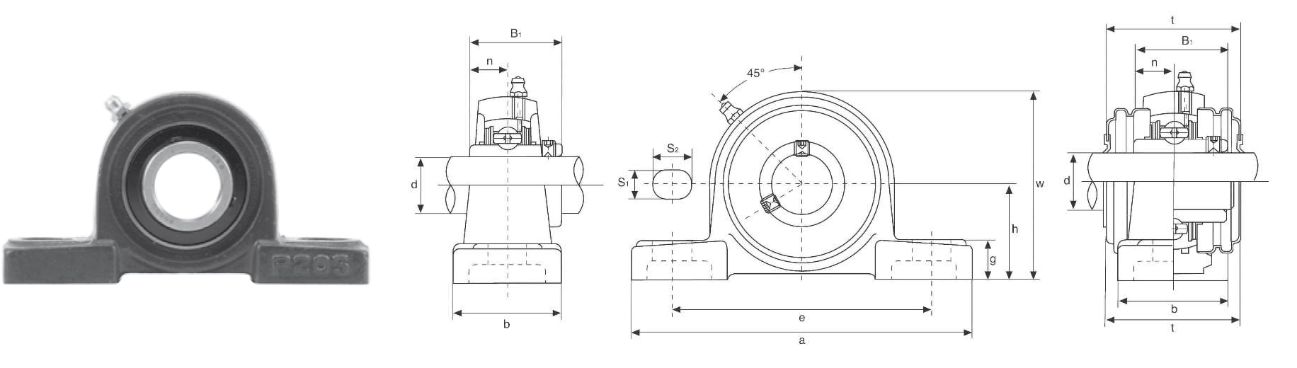
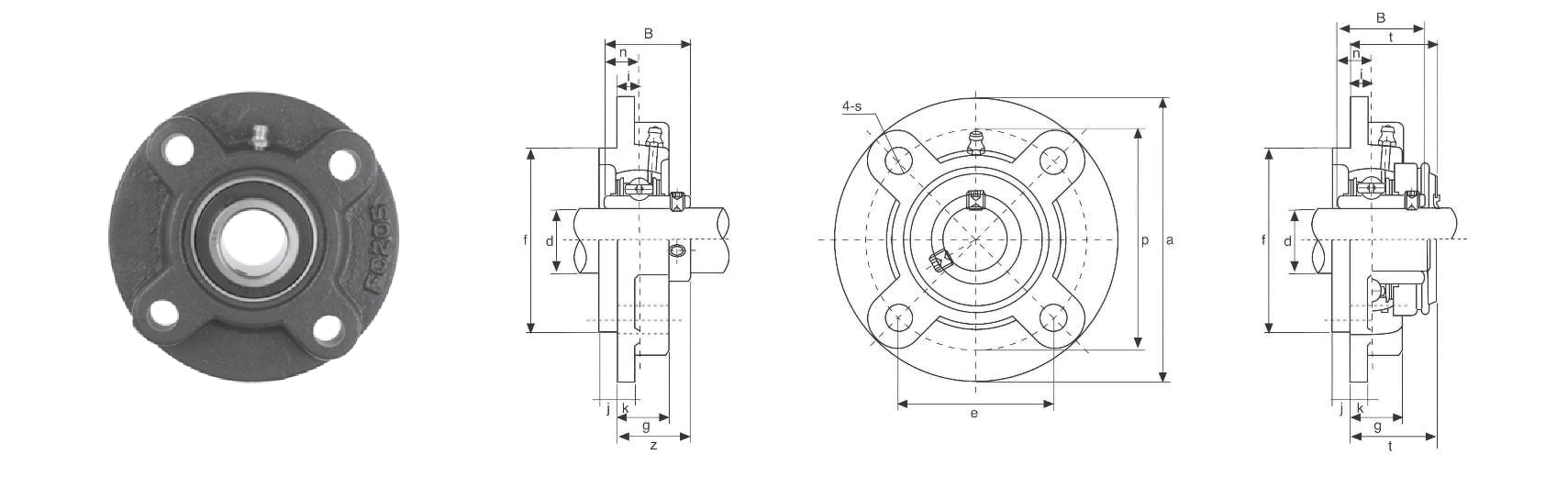
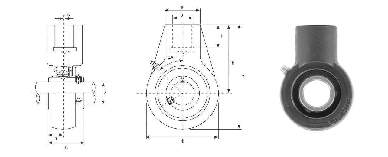
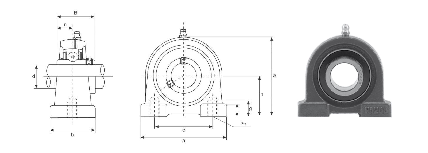
Подшипниковые узлы производятся в разных исполнениях: с внешним чугунным корпусом, из алюминиевого сплава, из штампованной листовой стали и из пластмассы. Корпуса поставляются в сборе с подшипниками со сферическим внешним кольцом, которое позволяет подшипникам свободно "плавать", избегая чрезмерных нагрузок из-за несоосности установки корпусов на концах вала. С обеих сторон подшипников установлены уплотняющие прокладки, не допускающие попадания мелкой пыли или влаги на дорожки качения.
Пример подшипника UCF (корпус F205 со встроенным подшипником UC205)
Пример подшипника UCFC (корпус FC205 со встроенным подшипником UC205)
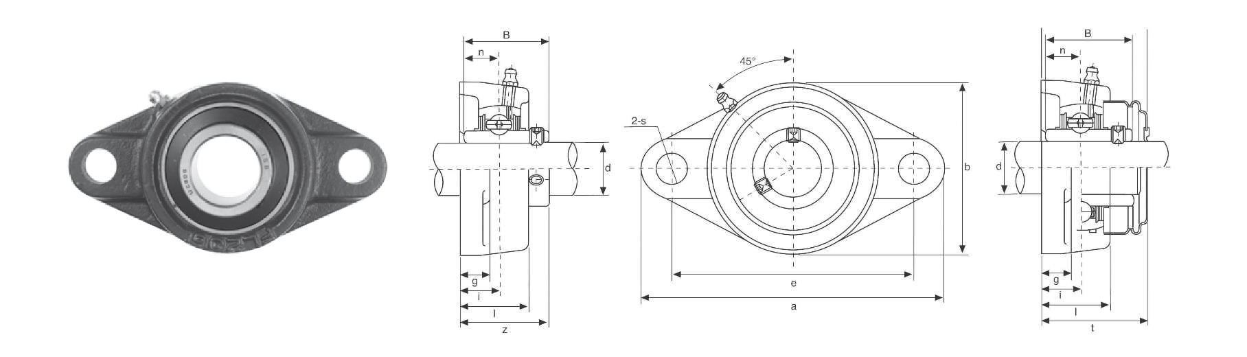
Пример подшипника UCFL (корпус FL205 со встроенным подшипником UC205)
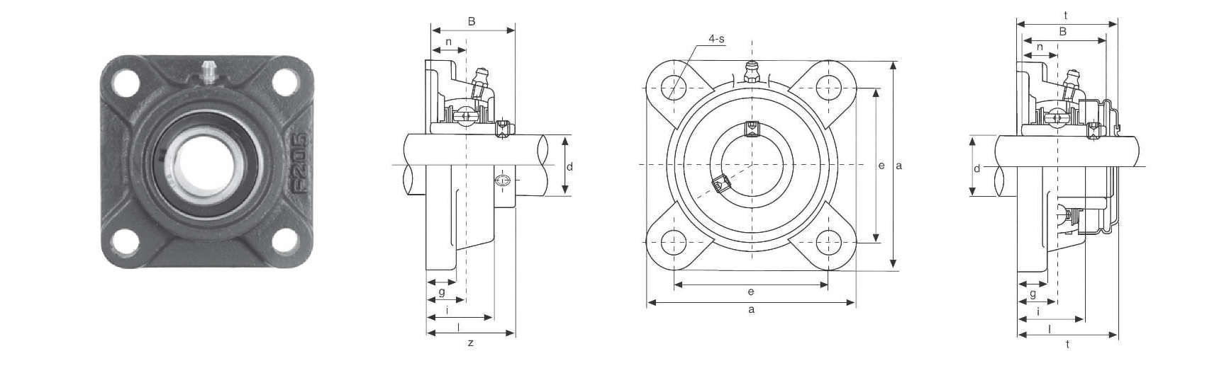
Пример подшипника UCP (корпус P205 со встроенным подшипником UC205)
Пример подшипника UCPA (корпус PA205 со встроенным подшипником UC205)
Пример подшипника UCPH (корпус PH205 со встроенным подшипником UC205)
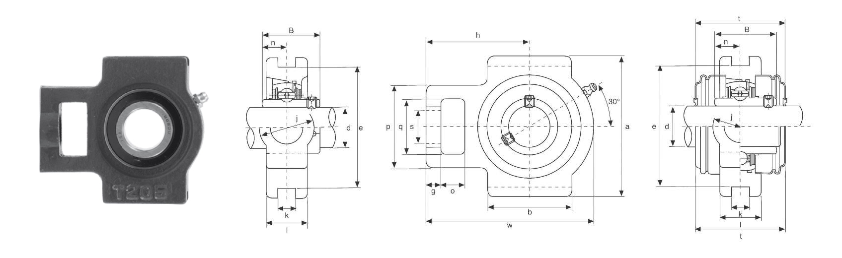
Пример подшипника UCT (корпус T205 со встроенным подшипником UC205)
Пример подшипника UCFA (корпус FA205 со встроенным подшипником UC205)
Пример подшипника UCFB (корпус FB205 со встроенным подшипником UC205)
Пример подшипника UCECH (корпус ECH205 со встроенным подшипником UC205)
Пример корпуса C205 со встроенным подшипником
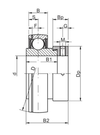
Подшипники UC с выступающим с обеих сторон внутренним кольцом, с двумя зажимами под шестигранник.
| Обозначение | Размеры, мм | Допустимые нагрузки, kН | Вес, кг | |||||||||
|---|---|---|---|---|---|---|---|---|---|---|---|---|
| d | D | B | B1 | S | S1 | G | M | F | Динам. | Стат. | ||
| UC201 | 12 | 47 | 17 | 31 | 12.7 | 18.3 | 4.8 | M6x1 | 3.7 | 9.88 | 6.20 | 0.20 |
| UC202 | 15 | 47 | 17 | 31 | 12.7 | 18.3 | 4.8 | M6x1 | 3.7 | 9.88 | 6.20 | 0.19 |
| UC203 | 17 | 47 | 17 | 31 | 12.7 | 18.3 | 4.8 | M6x1 | 3.7 | 9.88 | 6.20 | 0.18 |
| UC204 | 20 | 47 | 17 | 31 | 12.7 | 18.3 | 4.8 | M6x1 | 3.7 | 9.88 | 6.20 | 0.16 |
| UC205 | 25 | 52 | 17 | 34.1 | 14.3 | 19.8 | 5 | M6x1 | 3.9 | 10.78 | 6.98 | 0.20 |
| UCX05 | 25 | 62 | 19 | 38.1 | 15.9 | 22.2 | 5 | M6x1 | 5 | 14.97 | 10.04 | 0.39 |
| UC305 | 25 | 62 | 20 | 38 | 15 | 23 | 6 | M6x1 | 5.4 | 17.22 | 11.93 | 0.35 |
| UC206 | 30 | 62 | 19 | 38.1 | 15.9 | 22.2 | 5 | M6x1 | 5 | 14.97 | 10.04 | 0.32 |
| UCX06 | 30 | 72 | 20 | 42.9 | 17.5 | 25.4 | 7 | M8x1 | 5.7 | 19.75 | 13.67 | 0.68 |
| UC306 | 30 | 72 | 23 | 43 | 17 | 26 | 6 | M6x1 | 5.7 | 20.77 | 14.17 | 0.56 |
| UC207 | 35 | 72 | 20 | 42.9 | 17.5 | 25.4 | 7 | M8x1 | 5.7 | 19.75 | 13.67 | 0.48 |
| UCX07 | 35 | 80 | 21 | 49.2 | 19 | 30.2 | 8 | M8x1 | 6.2 | 22.71 | 15.94 | 0.82 |
| UC307 | 35 | 80 | 25 | 48 | 19 | 29 | 8 | M8x1 | 6.2 | 25.66 | 17.92 | 0.71 |
| UC208 | 40 | 80 | 21 | 49.2 | 19 | 30.2 | 8 | M8x1 | 6.2 | 22.71 | 15.94 | 0.64 |
| UCX08 | 40 | 85 | 22 | 49.2 | 19 | 30.2 | 8 | M8x1 | 6.4 | 24.36 | 17.71 | 0.93 |
| UC308 | 40 | 90 | 27 | 52 | 19 | 33 | 10 | M10x1 | 7 | 31.35 | 22.38 | 0.96 |
| UC209 | 45 | 85 | 22 | 49.2 | 19 | 30.2 | 8 | M8x1 | 6.4 | 24.36 | 17.71 | 0.68 |
| UCX09 | 45 | 90 | 24 | 51.6 | 19 | 32.6 | 10 | M10x1 | 6.5 | 26.98 | 19.84 | 1.00 |
| UC309 | 45 | 100 | 30 | 57 | 22 | 35 | 10 | M10x1 | 7.8 | 40.66 | 30.00 | 1.28 |
| UC210 | 50 | 90 | 24 | 51.6 | 19 | 32.6 | 10 | M10x1 | 6.5 | 26.98 | 19.84 | 0.80 |
| UCX10 | 50 | 100 | 25 | 55.6 | 22.2 | 33.4 | 10 | M10x1 | 7 | 33.37 | 25.11 | 1.35 |
| UC310 | 50 | 110 | 32 | 61 | 22 | 39 | 12 | M12x1.5 | 8.5 | 47.58 | 35.71 | 1.65 |
| UC211 | 55 | 100 | 25 | 55.6 | 22.2 | 33.4 | 10 | M10x1 | 7 | 33.37 | 25.11 | 1.11 |
| UCX11 | 55 | 110 | 27 | 65.1 | 25.4 | 39.7 | 10 | M10x1 | 7.6 | 36.74 | 27.97 | 1.90 |
| UC311 | 55 | 120 | 34 | 66 | 25 | 41 | 12 | M12x1.5 | 9.2 | 55.05 | 41.91 | 2.07 |
| UC212 | 60 | 110 | 27 | 65.1 | 25.4 | 39.7 | 10 | M10x1 | 7.6 | 36.74 | 27.97 | 1.54 |
| UCX12 | 60 | 120 | 28 | 65.1 | 25.4 | 39.7 | 10 | M10x1 | 8.5 | 44.01 | 34.18 | 2.27 |
| UC312 | 60 | 130 | 36 | 71 | 26 | 45 | 12 | M12x1.5 | 9.8 | 62.88 | 48.60 | 2.60 |
| UC213 | 65 | 120 | 28 | 65.1 | 25.4 | 39.7 | 10 | M10x1 | 8.5 | 44.01 | 34.18 | 1.85 |
| UCX13 | 65 | 125 | 29 | 74.6 | 30.2 | 44.4 | 12 | M12x1.5 | 8.9 | 46.79 | 37.59 | 2.45 |
| UC313 | 65 | 140 | 38 | 75 | 30 | 45 | 12 | M12x1.5 | 10.5 | 72.21 | 56.68 | 3.25 |
| UC214 | 70 | 125 | 29 | 74.6 | 30.2 | 44.4 | 12 | M12x1.5 | 8.9 | 46.79 | 37.59 | 2.05 |
| UCX14 | 70 | 130 | 30 | 77.8 | 33.3 | 44.5 | 12 | M12x1.5 | 9.2 | 50.85 | 41.26 | 2.47 |
| UC314 | 70 | 150 | 40 | 78 | 33 | 45 | 12 | M12x1.5 | 11.1 | 80.10 | 63.48 | 3.89 |
| UC215 | 75 | 130 | 30 | 77.8 | 33.3 | 44.5 | 12 | M12x1.5 | 9.2 | 50.85 | 41.26 | 2.21 |
| UCX15 | 75 | 140 | 32 | 82.6 | 33.3 | 49.3 | 12 | M12x1.5 | 9.5 | 55.04 | 45.09 | 3.11 |
| UC315 | 75 | 160 | 42 | 82 | 32 | 50 | 14 | M14x1.5 | 11.8 | 87.25 | 71.67 | 4.72 |
| UC216 | 80 | 140 | 32 | 82.6 | 33.3 | 49.3 | 12 | M12x1.5 | 9.5 | 55.04 | 45.09 | 2.80 |
| UCX16 | 80 | 150 | 34 | 85.7 | 34.1 | 51.6 | 12 | M12x1.5 | 10.2 | 64.01 | 53.28 | 3.79 |
| UC316 | 80 | 170 | 44 | 86 | 34 | 52 | 14 | M14x1.5 | 12.5 | 94.57 | 80.35 | 5.55 |
Подшипники UK с зажимной втулкой H.
| Обозначение | Втулка | Размеры, мм | Допустимые нагрузки, kН | Вес, кг | |||||||||
|---|---|---|---|---|---|---|---|---|---|---|---|---|---|
| d | D | B | B1 | B2 | B3 | dt | dn | F | Динам. | Стат. | |||
| UK205 | H2305 | 25 | 52 | 17 | 23 | 8 | 35 | 20 | 38 | 3.9 | 10.78 | 6.98 | 0.25 |
| UK206 | H2306 | 30 | 62 | 19 | 26 | 8 | 38 | 25 | 45 | 5.0 | 14.97 | 10.04 | 0.36 |
| UK207 | H2307 | 35 | 72 | 20 | 29 | 9 | 43 | 30 | 52 | 5.7 | 19.75 | 13.67 | 0.57 |
| UK208 | H2308 | 40 | 80 | 21 | 31 | 10 | 46 | 35 | 58 | 6.2 | 22.71 | 15.94 | 0.74 |
| UK209 | H2309 | 45 | 85 | 22 | 31 | 11 | 50 | 40 | 65 | 6.4 | 24.36 | 17.71 | 0.83 |
| UK210 | H2310 | 50 | 90 | 24 | 32 | 12 | 55 | 45 | 70 | 6.5 | 26.98 | 19.84 | 0.97 |
| UK211 | H2311 | 55 | 100 | 25 | 35 | 12 | 59 | 50 | 75 | 7.0 | 33.37 | 25.11 | 1.26 |
| UK212 | H2312 | 60 | 110 | 27 | 38 | 13 | 62 | 55 | 80 | 7.6 | 36.74 | 27.97 | 1.59 |
| UK213 | H2313 | 65 | 120 | 28 | 40 | 14 | 65 | 60 | 85 | 8.5 | 44.01 | 34.18 | 1.76 |
| UK215 | H2315 | 75 | 130 | 30 | 44 | 15 | 73 | 65 | 98 | 9.2 | 50.85 | 41.26 | 2.32 |
| UK216 | H2316 | 80 | 140 | 32 | 45 | 17 | 78 | 70 | 105 | 9.5 | 55.04 | 45.09 | 3.06 |
| UK217 | H2317 | 85 | 150 | 34 | 46 | 18 | 82 | 75 | 110 | 10.2 | 64.01 | 53.28 | 3.88 |
| UK218 | H2318 | 90 | 160 | 36 | 47 | 18 | 86 | 80 | 120 | 11.2 | 73.83 | 60.76 | 4.74 |
Подшипники SB с выступающим с одной стороны внутренним кольцом, с двумя зажимами под шестигранник.
| Обозначение | Размеры, мм | Допустимые нагрузки, kН | Вес, кг | ||||||||
|---|---|---|---|---|---|---|---|---|---|---|---|
| d | D | B | B1 | S | S1 | G | M | Динам. | Стат. | ||
| SB201 | 12 | 40 | 12 | 22 | 6 | 16 | 4.5 | M5x0.8 | 7.36 | 4.48 | 0.1 |
| SB202 | 15 | 40 | 12 | 22 | 6 | 16 | 4.5 | M5x0.8 | 7.36 | 4.48 | 0.1 |
| SB203 | 17 | 40 | 12 | 22 | 6 | 16 | 4.5 | M5x0.8 | 7.36 | 4.48 | 0.1 |
| SB204 | 20 | 47 | 14 | 25 | 7 | 18 | 4.5 | M6x1 | 9.88 | 6.2 | 0.13 |
| SB205 | 25 | 52 | 15 | 27 | 7.5 | 19.5 | 5.5 | M6x1 | 10.78 | 6.98 | 0.16 |
| SB206 | 30 | 62 | 16 | 30 | 8 | 22 | 6 | M6x1 | 14.97 | 10.04 | 0.25 |
| SB207 | 35 | 72 | 17 | 32 | 8.5 | 23.5 | 6.5 | M8x1 | 19.75 | 13.67 | 0.38 |
| SB208 | 40 | 80 | 18 | 34 | 9 | 25 | 7 | M8x1 | 22.71 | 15.94 | 0.6 |
| SB209 | 45 | 85 | 19 | 41.2 | 10.2 | 31 | 8.2 | M8x1 | 24.36 | 17.71 | 0.8 |
| SB210 | 50 | 90 | 20 | 43.5 | 10.9 | 32.6 | 9.2 | M10x1 | 26.98 | 19.84 | 0.8 |
| SB211 | 55 | 100 | 21 | 45.3 | 11.8 | 33.5 | 9.8 | M10x1 | 33.37 | 25.11 | 1.1 |
| SB212 | 60 | 110 | 22 | 53.7 | 14.9 | 38.8 | 9.8 | M10x1 | 36.74 | 27.97 | 1.3 |
Подшипники SA с выступающим с одной стороны внутренним кольцом, с экцентриковым зажимом.
| Обозначение | Размеры, мм | Допустимые нагрузки, kН | Вес, кг | ||||||||||
|---|---|---|---|---|---|---|---|---|---|---|---|---|---|
| d | D | B | B1 | B2 | S | M | G | Bp | Dp | Динам. | Стат. | ||
| SA201 | 12 | 40 | 12 | 19.1 | 28.6 | 6.5 | M6x1 | 4.8 | 13.5 | 28.6 | 7.36 | 4.48 | 0.12 |
| SA202 | 15 | 40 | 12 | 19.1 | 28.6 | 6.5 | M6x1 | 4.8 | 13.5 | 28.6 | 7.36 | 4.48 | 0.10 |
| SA203 | 17 | 40 | 12 | 19.1 | 28.6 | 6.5 | M6x1 | 4.8 | 13.5 | 28.6 | 7.36 | 4.48 | 0.09 |
| SA204 | 20 | 47 | 14 | 21.5 | 31 | 7.5 | M6x1 | 4.8 | 13.5 | 33.3 | 9.88 | 6.20 | 0.16 |
| SA205 | 25 | 52 | 15 | 21.5 | 31 | 7.5 | M6x1 | 4.8 | 13.5 | 38.1 | 10.78 | 6.98 | 0.20 |
| SA206 | 30 | 62 | 16 | 23.8 | 35.7 | 9 | M8x1 | 6 | 15.9 | 44.5 | 14.97 | 10.04 | 0.30 |
| SA207 | 35 | 72 | 17 | 25.4 | 38.9 | 9.5 | M8x1 | 6.8 | 17.5 | 55.6 | 19.75 | 13.67 | 0.42 |
| SA208 | 40 | 80 | 18 | 30.2 | 43.7 | 11 | M8x1 | 6.8 | 18.3 | 60.3 | 22.71 | 15.94 | 0.60 |
| SA209 | 45 | 85 | 19 | 30.2 | 43.7 | 11 | M8x1 | 6.8 | 18.3 | 63.5 | 24.36 | 17.71 | 0.76 |
| SA210 | 50 | 90 | 20 | 30.2 | 43.7 | 11 | M8x1 | 6.8 | 18.3 | 69.9 | 26.98 | 19.84 | 0.91 |
| SA211 | 55 | 100 | 21 | 32.5 | 48.4 | 12 | M8x1 | 8 | 20.7 | 76.2 | 33.37 | 25.11 | 1.26 |
| SA212 | 60 | 110 | 22 | 37.2 | 53.1 | 13.5 | M10x1 | 8 | 22.3 | 84.2 | 36.74 | 27.97 | 1.70 |